大螺紋轉小螺紋型變徑頭

產品介紹:
產品材質: 以優質黃銅鍍鎳制成?
產品用途: 此產品可將不同的螺紋外徑尺寸進行自由轉換; 可根據客戶要求定制,生產不同螺紋長度及其他不同螺紋之間的轉換。?
產品形狀:六角形或圓形
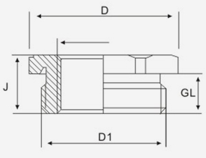
| 金屬變徑頭--大螺紋轉小螺紋型 | ||||||
| 圓形系列產品編號 | 六角系列產品編號 | 規格 | 螺紋長度(GL)?mm | 高度(H)mm | 六角尺寸(D)mm | |
| 外螺紋(D1) | 內螺紋(D2) | |||||
| JX-M16/12A | JX-M16/12B | M16*1.5 | M12*1.5 | 6 | 8.5 | 18 |
| JX-M20/16A | JX-M20/16B | M20*1.5 | M16*1.5 | 6.5 | 9 | 24 |
| JX-M25/20A | JX-M25/20B | M25*1.5 | M20*1.5 | 7.5 | 10 | 30 |
| JX-M32/25A | JX-M32/25B | M32*1.5 | M25*1.5 | 8 | 11.5 | 40 |
| JX-M40/32A | JX-M40/32B | M40*1.5 | M32*1.5 | 9 | 12.5 | 45 |
| JX-M50/40A | JX-M50/40B | M50*1.5 | M40*1.5 | 10 | 14 | 57 |
| JX-M63/50A | JX-M63/50B | M63*1.5 | M50*1.5 | 10 | 14 | 65 |
| JX-PG9/PG7A | JX-PG9/PG7B | PG9 | PG7 | 6 | 8.5 | 17 |
| JX-PG11/PG9A | JX-PG11/PG9B | PG11 | PG9 | 6.5 | 8.5 | 20 |
| JX-PG13.5/PG11A | JX-PG13.5/PG11B | PG13.5 | PG11 | 6.5 | 9 | 22 |
| JX-PG16/PG13.5A | JX-PG16/PG13.5B | PG16 | PG13.5 | 6.5 | 9.5 | 24 |
| JX-PG21/PG16A | JX-PG21/PG16B | PG21 | PG16 | 7.5 | 10 | 30 |
| JX-PG29/PG21A | JX-PG29/PG21B | PG29 | PG21 | 8 | 11.5 | 40 |
| JX-PG36/PG29A | JX-PG36/PG29B | PG36 | PG29 | 9 | 12.5 | 50 |
| JX-PG42/PG36A | JX-PG42/PG36B | PG42 | PG36 | 10 | 14 | 57 |
| JX-PG48/PG42A | JX-PG48/PG42B | PG48 | PG42 | 10 | 14 | 65 |
| JX-NPT1/2"-NPT3/8"A | JX-NPT1/2"-NPT3/8"B | NPT1/2" | NPT3/8" | 6.5 | 9 | 24 |
| JX-NPT3/4"-NPT1/2"A | JX-NPT3/4"-NPT1/2"B | NPT3/4" | NPT1/2" | 7.5 | 10 | 30 |
| JX-NPT1"-NPT3/4"A | JX-NPT1"-NPT3/4"B | NPT1" | NPT3/4" | 8 | 11.5 | 40 |
| JX-NPT1-1/4"-NPT1"A | JX-NPT1-1/4"-NPT1"B | NPT1-1/4" | NPT1" | 9 | 12.5 | 50 |

下一條:小螺紋轉大螺紋型變徑頭


















